Filename: 1976 jeep cj fuse diagram.pdf
Size: 1,000 KB
Status : Available
Last checked: 1 Minutes ago!
Rating ★★★★★
Join our eBook service for unlimited Manual Books & Wiring Diagram.
Please create a FREE ACCOUNT to continue reading or download!
Descriptions:
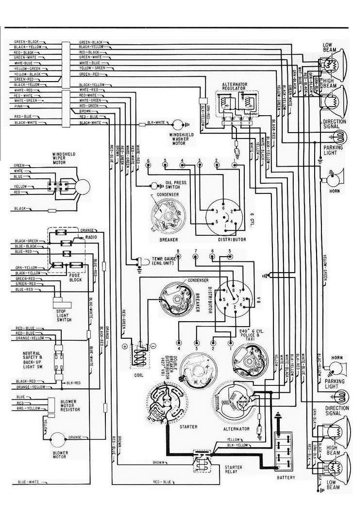
1976 jeep cj fuse diagram
1976 jeep cj fuse diagram is a visual representation of components and wires related to an electrical connection. This pictorial diagram shows us the physical links that are far easy to understand an electrical circuit or system. One wiring diagram can signify all the interconnections, thereby signaling the relative locations. The use of a wiring diagram is positively recognizable in manufacturing or electrical troubleshooting projects. It can prevent lots of damage that even derail an electrical plan.
The Best Wiring Diagram Database
The Best Diagram database Website Wiring Diagram - Auto Electrical Wiring Diagram Wiring Diagram | Schema Cablage | Diagrama De Cableado | Ledningsdiagram | Del Schaltplan | Bedradings Schema | Schaltplang
Please create a FREE ACCOUNT to continue reading or download!
How it works:
DISCLAIMER: "We cannot guarantee the availability of this ebook on an external site."